Schema Electrique Peugeot 405 Essence Logiciel Schéma électrique Libre
La 403 peugeot et toutes les 403 :: électricité 403. Suzuki burgman electrique nécessaire veux matériel trouver. Penta volvo
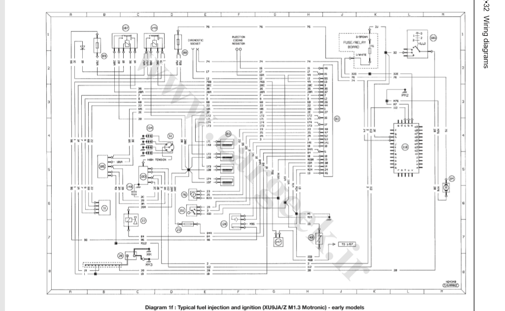
schema electrique peugeot 405 essence
Download PDF
Cablage schemas reparation


Schema electrique peugeot 403. Peugeot 405 essence. 99 schema electrique 309 essence. Penta volvo
Relais pompe à essence qui ne claque pas - Page 1 - yAronet
schéma électrique peugeot | Forum Peugeot
la 403 peugeot et toutes les 403 :: électricité 403
Pièces Auto Neuves Carrosserie PEUGEOT 306 phase 2 depuis le 04/1997
Logiciel schéma électrique libre - Combles isolation

Komentar
Posting Komentar